NICE ROBUS RBS400 - samostatný pohon pro posuvné brány (A)
Hmotnost křídla 400 kg, délka křídla 8 m, systém BlueBUS.




Pohon NICE Robus RBS400 je určený pro posuvné brány s hmotností do 400 kg a šířky průjezdu do 8 m. Má indukční spínač koncových dorazů. Pohon je nevratný. Pohon je kompaktní, bezpečný a praktický s nárazu odolným krytem a ideální pro privátní i firemní použití. Detailní technické vlastnosti ». Programování pohonu ». Manuál ke stažení ».
Tento produkt – samostatný pohon posuvné brány NICE Robus RBS400 (náš kód NICE-RBS400-A) obsahuje:
- Elektromechanický pohon NICE Robus RBS400 s nosností 400 kg, maximální délkou křídla 8 m, se zabudovanou (ale odnímatelnou) řídicí jednotkou MCU1R30, se zabudovaným přijímačem rádiového signálu, i s „SM“ konektorem pro zásuvný přijímač.
- 2 x odblokovací klíč k manuální obsluze pohonu (nutný v případě výpadku elektřiny).
- Komponenty pro montáž pohonu: kotvicí prvky, montážní plata a magnetické dorazy pro indukční koncový spínač.
- Montážní manuál
Jednou z hlavních předností pohonu Robus RBS400 je jeho vysoká rychlost otevírání a zavírání, kterou umožňuje pokročilá technologie. Disponuje detekcí překážek a možností připojení fotobuněk, což zaručuje maximální bezpečnost. Vybaven je i teplotním senzorem, který přizpůsobuje tažnou sílu pohonu klimatickým podmínkám a je chráněn teplotní pojistkou.
Dlouhodobou životnost pohonu zaručuje kvalitní konstrukce se stupněm krytí IP44. Robus RBS400 je kompatibilní s příslušenstvím značky Nice. Integrovaný systém "Eye Check" poskytuje vizuální zpětnou vazbu prostřednictvím LED světla (červená/zelená).
Funkce "Podřízená jednotka" (režim master-slave) umožňuje synchronizované ovládání dvou motorů, čímž se dá automatizovat dvoukřídlá posuvná brána proti sobě. Kompatibilní je i se starším modelem Robus RB400, ale pouze od verze s řídicí jednotkou RBA3R10. Starší RBA3/c není kompatibilní s RBS.
Vestavěná řídicí jednotka umožňuje jednoduché ovládání. Programovatelnost je jednou z klíčových vlastností tohoto modelu.
Vestavěný bidirekční přijímač je připraven k okamžitému programování, což usnadňuje připojení a ovládání.
Výhodou je i možnost integrace extra funkcí přes rozšiřující desku, včetně osvětlení pro bezpečnější instalaci.
Uživatelsky přívětivá technologie BlueBUS usnadňuje napájení a ovládání až 7 párů fotobuněk pomocí dvoužilového kabelu.
Pohon dosahuje až 90 % úsporu energie v pohotovostním režimu a je kompatibilní s Nice solárním kitem.
Disponuje ozubeným kolečkem modul 4, kompatibilním s ozubeným hřebenem v naší nabídce.
Pohon je možný ovládat i pomocí mobilní aplikace MyNice Pro. Kromě toho spolu s programovacím zařízením Nice Proview umožňuje provést nastavení a programování funkcí pohonu na dálku, přímo z vašeho smartphonu. Aplikace je k dispozici pro zařízení Android a iOS.
Kompatibilita dálkových ovladačů:
Pohon má zabudovaný přijímač, který je kompatibilní s ovladači NICE série MYGO, ONE a INTI. Interní přijímač nepodporuje kódování FloR ani Flo. Na řídicí jednotce se však nachází i SM konektor pro připojení zástrčkového přijímače, což může být užitečné v případě, že jste starý pohon nahradili novým RBS a vlastníte ovladače staršího typu.
Informace pro majitele starších ovladačů NICE FLOR:
Pokud již vlastníte starší ovladače NICE typu FLOR (modely FLO2R-S, FLO2RE, FLO4R-S, FLO4RE), můžete je i nadále používat s novým pohonem NICE RBS. Je však nutné dokoupit zástrčkový přijímač OXIBD nebo některý z externích přijímačů, například NICE OX2.
Extra dlouhý dosah dálkových ovladačů:
Pohon NICE RBS má slot pro interní přijímač, díky čemuž je možné nainstalovat přijímač NICE OXILR s technologií LoRa. Stejně tak je možné připojit i přijímač NICE OXIFM pro rozšířené možnosti.
Informace pro majitele historických ovladačů NICE FLO a NICE SMILO:
Pokud doma používáte ovladače NICE s kódováním FLO nebo SMILO, i tyto je možné použít s pohonem NICE RBS. Je však nutné dokoupit interní přijímač OXIBD, který podporuje příjem signálu s pevným kódem (FLO, SMILO). V takovém případě bude přijímač akceptovat pouze tyto starší typy ovladačů a nové modely nebude možné párovat současně.
Příslušenství kompatibilní s pohonem Nice Robus RBS400
Doporučujeme k pohonu dokoupit kompatibilní volitelné příslušenství nebo zvolit některou již sestavenou cenově zvýhodněnou sadu pohonu.
| Co | Proč | Typ |
|---|---|---|
| Maják | Signalizuje pohyb brány blikáním – vhodné při výjezdech se slabým výhledem. Obsahuje i anténu – delší dosah ovladače. |
Případně všechny majáky s napájením 12V-24V od jiných výrobců. |
| Fotobuňky | Při zavírání detegují překážku a zastaví pohyb – brána nenarazí do auta ani osob. | |
| Vysílač | Pro dálkové ovládání brány. | |
| Přijímač |
Pro dálkové ovládání brány. Pohon RBS obsahuje integrovaný rádiový přijímač, ale umožňuje i připojení zástrčkového přijímače – to usnadňuje přechod ze staršího pohonu RB na novější RBS bez opětovného párování dálkových ovladačů. |
|
| Anténa | Pro lepší dosah ovladače. | |
| Klávesnice | Pokud zapomenete dálkový ovladač nebo máte mnoho vozidel/osob a nechcete každému vydávat ovladač. | |
| Klíčový spínač | Ovládání brány klíčem přes spínač připojený kabeláží k pohonu. | |
| čtečky karet | Ovládání pohonu přiložením karty nebo klíčenky k čtečce. |
|
| Převodovka | Nutné pro samotnou automatizaci – bez hřebene pohon nepohne bránou. | |
| Záložní zdroj napájení | Při výpadku elektrické energie zachová chod brány. |
Příručky a dokumenty ke stažení
Manuál k pohonu Nice Robus RBS400 – PDF
Návod na párování ovladačů s pohonem Nice – odkaz
NICE Robus RBS400 v kostce
NICE Robus RBS je rodina nevratných elektromechanických převodových pohonů pro posuvné brány. Jsou dodávány se zabudovanou (odnímatelnou) řídicí jednotkou NICE MCU1R30 se zabudovaným přijímačem i konektorem SM pro zástrčkové přijímače rádiového signálu typu OXI, například {. Disponuje funkcí ON-OFF deaktivace interního přijímače (v programování I. úrovně). Interní přijímač nepodporuje kódování FloR ani Flo.
Elektrická zapojení externích zařízení ( fotobuňky, výstražný maják apod.) byla v rodině NICE Robus RBS zjednodušena technologií BlueBUS , která dovoluje zapojení více zařízení polaritu). K řídicí jednotce je možné připojit i klasické relátkové fotobuňky. Řídící jednotka MCU1R30 má také vstup OSE (Optoelectronic Safety Edge) Max. 15 mA.
Automatické ovládání pohonu je závislé od přísunu elektrické energie. Při výpadku elektrické energie je možné motor odblokovat pomocí odblokovacího klíče. Je možné dokoupit záložní baterii NICE PSS124, která umožní provoz i během výpadku. Starší model záložního zdroje NICE PS124 je kompatibilní pouze s použitím adaptéru CABLA11.
Pohon disponuje dvěma LED diodami: zelená signalizuje pohyb, červená aktivní fotobuňky, nestandardní stavy a chyby. Spínač koncových dorazů je indukční. Ovládání a nastavení funkcí je možné i pomocí mobilní aplikace My Nice Pro (Android/iOS).
Výběr pohonu – je pohon NICE Robus RBS400 vhodný pro moji bránu?
Každá brána má svou velikost (tj. páku) a váhu (tj. sílu tíže páky) a každý pohon má své limity. Pohon NICE Robus RBS400 je použitelný pro následující délky křídel a váhy bran:
| Počet cyklů / hodinu Počet cyklů po sobě |
Hmotnost křídla | ||
|---|---|---|---|
| do 400 kg | do 600 kg | ||
| Délka křídla | do 4 m | 35 | 40 |
| od 8 m | 20 | 20 | |
V principu délka křídla určuje maximální počet cyklů za hodinu a též po sobě jdoucích cyklů, tj. upřesňuje, jak dlouho může být pohon v provozu. Vyšší váha tyto počty procentuálně snižuje kvůli většímu namáhání a určuje i maximální povolenou rychlost při daném zatížení. Pohon je vybaven teplotní pojistkou, která měří teplotu motoru i okolí a úměrně tomu snižuje počet možných cyklů.
Uvedené hodnoty platí při dodržení podmínek výrobce (povětrnostní vlivy, teploty, tuhost a lehký pohyb brány). V praxi doporučujeme celkové zatížení do přibližně 80 % těchto parametrů.
Limity pohonu NICE Robus RBS400
Uvedené hodnoty jsou doporučené výrobcem NICE. Ze zkušenosti doporučujeme nechat rezervu cca 80 % uvedených hodnot:
| Robus RBS400 | Maximálně | Doporučujeme |
|---|---|---|
| Délka křídla | 8 m | 6 m |
| Hmotnost křídla | 400 kg | 320 kg |
Využívání pohonu na maximum snižuje jeho životnost – níže naleznete orientační výpočet životnosti v závislosti od stresových faktorů.
Životnost pohonu NICE Robus RBS400
V tabulce spočítejte stresové indexy hmotnosti a délky křídla a připočítejte indexy ostatních vlivů (ak se vyskytují). Následně z grafu vyčítejte životnost pohonu v počtu cyklů.
Příklad: Brána s průjezdem 4,5 m a hmotností do 200 kg: index délky ~30 + index hmotnosti 10 + index nižší teploty 10 ⇒ celkem 40. Z grafu vychází ~120 000 cyklů, což při 10 manévrech denně ≈ 32 let.
Osazení pohonu NICE Robus RBS400
Způsob osazení pohonu je pro kolejovou posuvnou bránu a samonosnou posuvnou bránu rozdílný. Pro kolejovou bránu se zpravidla pohon osazuje na úroveň výšky terénu, pro samonosnou bránu je nutné pohon zdvihnout (závitové tyče Ø8, vlastní konzole, podbetonování apod.). Rozhodující je výškové umístění ozubeného hřebene, aby ideálně zapadl do ozubeného kolečka pohonu (viz „Ozubený hřeben a jeho doraz“).
Kabeláž
Typická (volitelná) situace zapojení pohonu s příslušenstvím vypadá následovně:
Seznam příslušenství
- A – Pohon Nice Robus RBS
- B – Fotobuňky
- C – Sloupky s fotobuňkami
- D – Klíčový spínač
- E – Maják se zabudovanou anténou
- F – Ozubený hřeben
- G – Dotyková hrana statická 1
- H – Dotyková hrana pohyblivá 1
- I – Koncový doraz při otevírání
- J – Dotyková hrana statická 2
- K – Dotyková hrana pohyblivá 2
- L – Koncový doraz při zavírání
- M – Dálkový ovladač
Seznam kabeláže
| Účel | Typ | Max. délka |
|---|---|---|
| Napájení | 3 × 1,5 mm² |
30 m Při větší vzdálenosti použijte 3 × 2,5 mm² + uzemnění. |
| Maják s anténou |
2 × 0,5 mm² 1 × koaxiální RG58 |
20 m 10 m (doporučeno < 5 m) |
| Fotobuňky | 2 × 0,5 mm² |
30 m; nad 30 m použijte 2 × 1 mm²
Ak je kabel BlueBUS > 30 m (max. 50 m), použijte 2 × 1 mm². |
| Klíčový spínač | 2 ks 2 × 0,5 mm² |
50 m
Možno nahradit jedním kabelem 4 × 0,5 mm². |
| Dotykové hrany – statické | 2 × 0,5 mm² |
30 m
Při více statických hranách se podívejte do manuálu – „Přidání nebo odstranění zařízení / STOP input“. |
| Dotykové hrany – pohyblivé | 2 × 0,5 mm² |
50 m
Při více statických hranách se podívejte do manuálu – „Přidání nebo odstranění zařízení / STOP input“. |
Montáž
Jednou z podmínek správné funkce je výška umístění pohonu. Více v článku „Do jaké výšky osadit pohon“.
Ozubený hřeben a jeho doraz
Princip pohybu: otáčivý moment ozubeného kolečka se přenáší na lineární pohyb přes ozubnicový převod na ozubeném hřebeni. Nejběžnější typy:
| Nylonový hřeben (případně s ocelovou výztuhou) – připevnění samořeznými šrouby přes oka; ideální pro lehčí/kratší brány, tišší chod (nylon vs. ocelové kolečko). | |
| Ocelový hřeben – připevnění navařením konzolek se závitem a následným našroubováním; pro delší/těžší brány, mírně hlučnější chod (ocel vs. ocel). |
Rozhodující je, aby byl modul zubu pohonu kompatibilní s modulem ozubeného hřebene. Pohon NICE Robus RBS400 má modul zubu 4.
Pohon vyhodnocuje koncové polohy při otevírání a zavírání pomocí koncových dorazů montovaných na ozubený hřeben.
Postup montáže koncových dorazů na orzbený hřeben:
1. Vylaďte pohon a bránu do roviny. Brána i pohon musí být v rovině.
2. Mezi hřebenem a kolečkem nechte vůli 1–2 mm, aby se váha brány nepřenášela na motor.
3. Dotáhněte ukotvení pohonu, aby se při záběru neposunul.
4. Uveďte bránu do otevřené polohy a nastavte dorazy tak, aby v koncové poloze spínali spínač.
5. Uveďte bránu do zavřené polohy a nastavte dorazy tak, aby v koncové poloze spínali spínač.
Zapojení pohonu NICE Robus RBS400
Před zapojováním, odpojováním a měněním zapojení pohonu (do sítě i přídavných zařízení) nezapomeňte odstranit přísun elektrické energie – vypnout jistící prvky, vytáhnout pojistku napájení nebo odpojit záložní baterii.
ZAPOJENÍ Do sítě
|
Pro základní fungování je nutné dotáhnout do pohonu přívod elektrické energie. |
| Zapojení je jednoduché: | |
| L – fáze (hnědý) | |
| I – zem/PE (zelený) | |
| N – nulák (modrý) |
ZAPOJENÍ přídavných zařízení
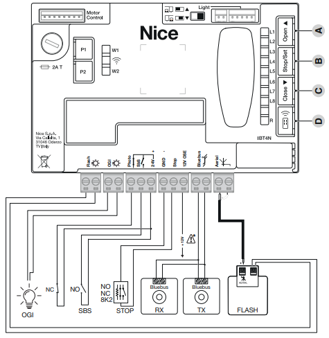
Řídící jednotka NICE MCU1R30 pohonu NICE Robus RBS400 umožňuje následující vstupy a výstupy:
| Vstup/výstup | Popis |
|---|---|
| FLASH (maják) |
Výstup 24 V pro výstražný maják, např. Nice ELDC. |
| OGI (indikátor) |
Výstup pro indikátor (24 V). Chování nastavitelné v programování úrovně II., položka L4 – Výstupní indikátor. |
| FOTO (fotobuňky) |
Vstup pro fotobuňky. |
| STEP-BY-STEP (SbS, P.P., krokování) |
Vstup pro zařízení, která krokují pohyb brány. Možné připojit NO (normally open) kontakty. |
| 24 V (+) | Napájení externích zařízení (např. bezdotyková čtečka karet) 24 V DC −30 % ÷ +50 %, max. proud 100 mA. |
| GND (uzemnění) |
Uzemnění pro externí zařízení napájená ze svorky 24 V. |
| STOP (zastavení) |
Vstup pro zařízení, která zastavují pohyb brány. Možné zapojení:
|
| OSE (optická bezpečnostní hrana) |
Rozhraní pro OSE senzor (Optical Safety Edge), 12 V. |
| BLUEBUS | Vstup pro paralelní připojení kompatibilních zařízení přes technologii BlueBUS (dvoužilový kabel napájí i komunikuje). |
| AERIAL (anténa) |
Vstup pro anténu rádiového přijímače. Anténa bývá v majáku, např. Nice |
Doplňkové parametry
| Kategorie: | Nové ROBUSY |
|---|---|
| Hmotnost: | 8 kg |
Diskuze
Buďte první, kdo napíše příspěvek k této položce.








