SOMFY Axovia MultiPro - rameno pro otevírání brány do 150°, 9019893
Rameno pro otevírání křídla brány až do úhlu 150°

Řešení pro všechny situace
vašich posuvných bran.

Pomůžeme s výběrem
správné možnosti.

Garance doručení
zásilky k vám.

Ověřeno zákazníky
12 let na trhu.
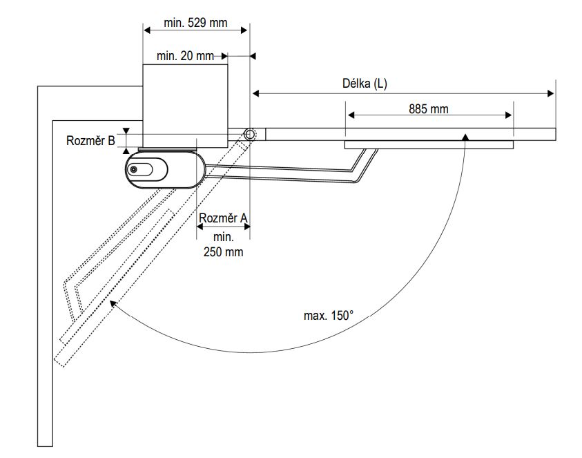
Posuvné rameno pro pohon SOMFY Axovia MultiPro 3s io pro otevírání křídla brány až do úhlu 150° nebo v případě omezeného prostoru za křídlem brány.
Při použití posuvného ramene je maximální délka křídla brány 2 m/100 kg.
Obsah balení:
- Rameno držáku
- Rameno brány
- Upevňovací držák ramene pohonu
Omezení použití:
Pro úhel otevření 150° musí mít rozměr B nulovou nebo zápornou hodnotu.
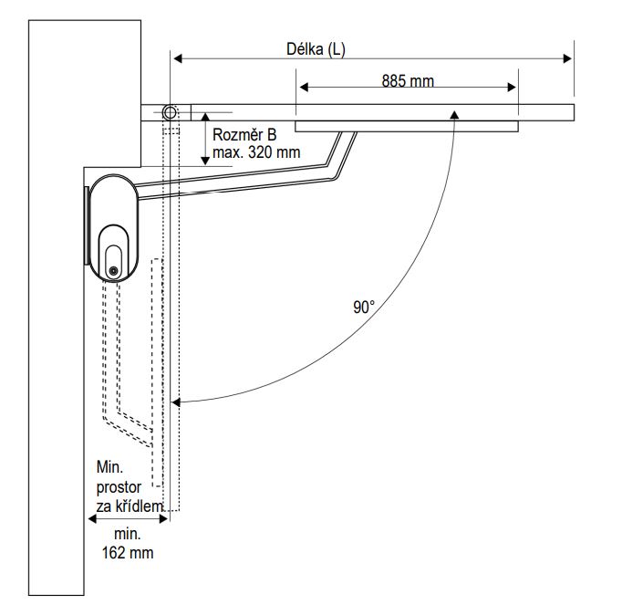
| Otevírání křídla brány až do 150° | Omezení vzdušného prostoru za křídlovou bránou |
|---|---|
![]() |
![]() |
Vzorová aplikace:
Doplňkové parametry
| Kategorie: | Pohony pro křídlové brány |
|---|---|
| Hmotnost: | 2 kg |
Buďte první, kdo napíše příspěvek k této položce.
Přidat komentář


