Pozinkovaný držák pole, rohový, pro jokel 25x25mm
Držák rohového pole pro jokel 25x25 mm.




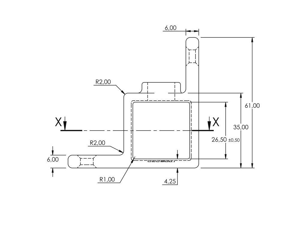
Pozinkovaný polní držák pro jokl 25x25 mm, určený pro rohové spoje. Vhodné k upevnění panelů, desek nebo drátěného pletiva do rohů konstrukce. Například držák rohového pole umožňuje montáž dvou panelů pod úhlem 90°.
Držák rohového pole pro jokl se nasune na jokl v rohu a zajistí se imbusovým šroubem (1/4" - 6,35 mm). Vznikne tak pevný spoj bez nutnosti svařování. Polní držák má 2 otvory pro montáž panelu nebo jiné výplně.
V kombinaci s jinými tvary spojek jeklů jsou praktickým řešením pro realizaci robustnějších 2D a 3D konstrukcí, například regálového systému nebo zábradlí. Dalším možným využitím profilových spojek je například svépomocná výroba stolu, stojanu, stojanu, zábrany nebo třeba rámu pro reklamní poutač, dveří do skleníku, klece pro ptáky a mnoha dalších.
Doplňkové parametry
| Kategorie: | Spojky jeklů 25x25 mm |
|---|---|
| Hmotnost: | 0.156 kg |
Diskuze
Buďte první, kdo napíše příspěvek k této položce.
