Pozinkovaná zemní kotva pro žluťáky 40x40mm
K upevnění jeklu 40x40 mm do země.




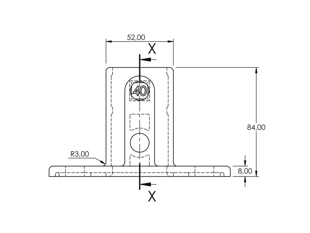
Pozinkovaná obdélníková základová příruba nebo zemní kotva je základem, který podpírá svislé třmeny. Kotva může být použita například jako základní příruba zábradlí nebo konstrukce.
Svislá stěna kotvy je v klíčových bodech Allenova klíče širší, což zajišťuje zpevnění spoje a ukotvení konstrukce. Upevnění v základní vodorovné přírubě by mělo odpovídat působícímu zatížení. Kotva se upevňuje do země pomocí 2 otvorů.
Spojovací prvky se nasunou na profil v místě spoje a zajistí se imbusovou skrutkou (3/8" - 9,52 mm). Vznikne tak pevný spoj bez nutnosti svařování.
Spojky jeklu jsou vhodné pro robustnější 2D a 3D konstrukce, jako jsou paletové regály nebo zábradlí. Dalším možným využitím profilových spojek je například svépomocná výroba stolu, stojanu, stojanu, zábrany nebo třeba rámu pro reklamní poutač, dveří do skleníku, klece pro ptáky a mnoha dalších.
Příklad použití profilových spojek:
Doplňkové parametry
| Kategorie: | Spojky jeklů 40x40 mm |
|---|---|
| Hmotnost: | 1 kg |
Diskuze
Buďte první, kdo napíše příspěvek k této položce.

