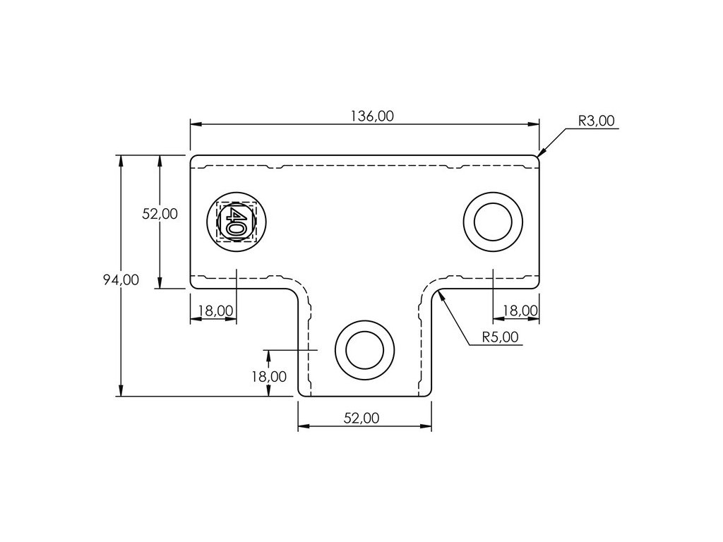
Pozinkovaná spojka pro jokl 40x40mm, tvar široké T
Ke spojení tří jeklů 40x40 mm, do tvaru T.




Pozinkovaná spojka ve tvaru T o rozměrech 40x40 mm vytváří kolmé spojení mezi třemi jokly. Vhodné pro horní části konstrukcí nebo jako vodorovné podpěry zábradlí. Tyto spojky jeklu jsou vhodné pro horizontální spoje tří jeklových profilů.
Spojovací prvky se nasunou na profil v místě spoje a zajistí se imbusovou skrutkou (3/8" - 9,52 mm). Vznikne tak pevný spoj bez nutnosti svařování.
Třmeny jsou vhodné pro robustnější 2D a 3D konstrukce, jako jsou paletové regály nebo zábradlí. Dalším možným využitím profilových spojek je například svépomocná výroba stolu, stojanu, stojanu, zábrany nebo třeba rámu pro reklamní poutač, dveří do skleníku, klece pro ptáky a mnoha dalších.
Příklad použití profilových spojek:
Doplňkové parametry
| Kategorie: | Spojky jeklů 40x40 mm |
|---|---|
| Hmotnost: | 0.58 kg |
Diskuze
Buďte první, kdo napíše příspěvek k této položce.

