Pozinkovaná kotva do zdi pro jokl 40x40mm
K upevnění jeklů 40x40 mm do stěny.




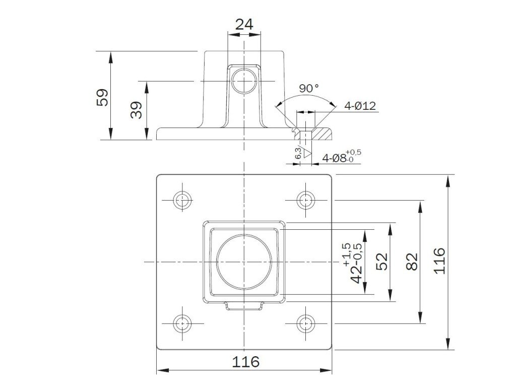
Pozinkovaná čtvercová kotva do zdi se upevňuje do zdi pomocí 4 otvorů o průměru 8 mm. Tato kotva nebo patka se používá na konstrukcích, kde je vyžadováno polohové upevnění ke stěně. Nepoužívejte jako základní kotvu pro podepření zábradlí nebo podobných systémů.
Spojovací prvky se nasunou na profil v místě spoje a zajistí se imbusovou skrutkou (3/8" - 9,52 mm). Vznikne tak pevný spoj bez nutnosti svařování.
Spojky jeklu jsou vhodné pro robustnější 2D a 3D konstrukce, jako jsou paletové regály nebo zábradlí. Dalším možným využitím profilových spojek je například svépomocná výroba stolu, stojanu, stojanu, zábrany nebo třeba rámu pro reklamní poutač, dveří do skleníku, klece pro ptáky a mnoha dalších.
Ukázka použití kotvy pro žluťáka:

Příklad použití profilových spojek:
Doplňkové parametry
| Kategorie: | Spojky jeklů 40x40 mm |
|---|---|
| Hmotnost: | 1.03 kg |
Diskuze
Buďte první, kdo napíše příspěvek k této položce.

