Hliníkový sloupkový profil 70x70 pro uchycení výplně
Pro uchycení hliníkových profilů o šířce 20 mm nebo 16 mm.




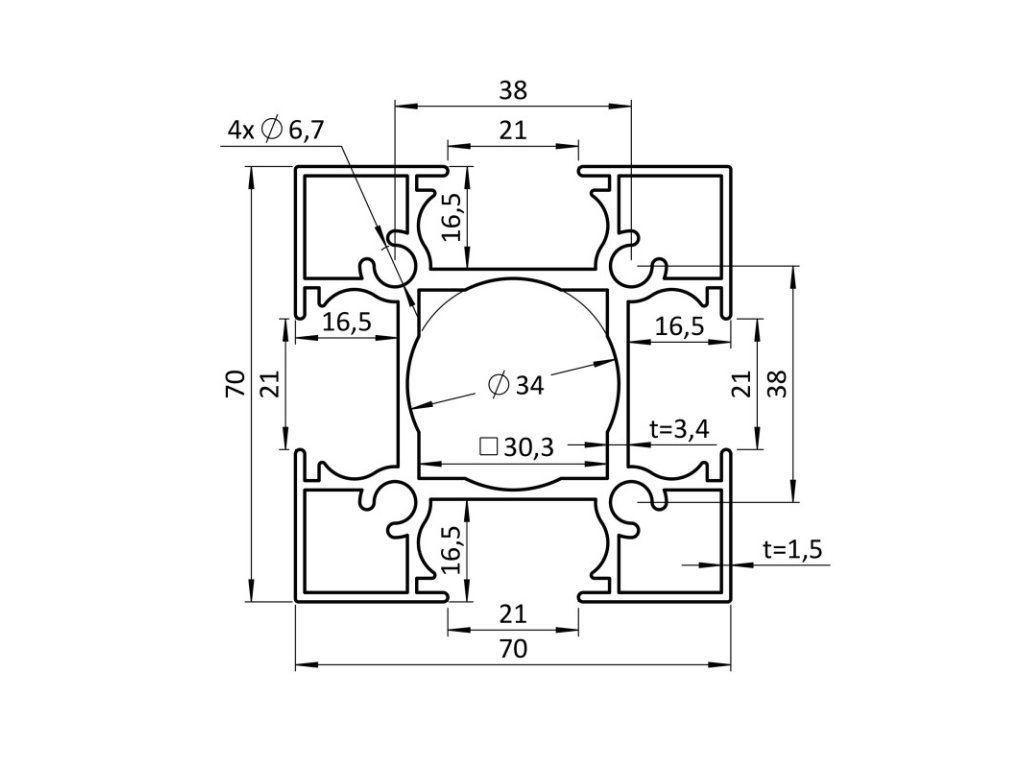
Hliníkový profil se čtvercovým průřezem 70×70 mm představuje univerzální řešení pro montáž oplocení nebo jiných konstrukčních prvků. Je navržen pro přímé uchycení lamel nebo profilů se šířkou 20 mm, případně 16 mm při použití redukce.
Profil umožňuje uchycení prvků ze všech čtyř stran, a to i pod úhlem. Nepoužité strany je možné jednoduše zaslepit pomocí krytek.
Sloupek se kotví do podkladu pomocí montážní příruby a čtyř samovrtných šroubů. Po osazení lamel nebo profilů se vrchní část zakončuje hliníkovou krytkou.
Bez povrchové úpravy – ideální pro další lakování nebo eloxování dle individuálních požadavků.
| Uchycení sloupku | Ukončení sloupku krytkou |
|---|---|
![]() |
![]() |
Ukázka osazení lamel do profilu:
Realistická fotografie profilu
Doplňkové parametry
| Kategorie: | Sloupkové profily |
|---|---|
| Hmotnost: | 15.828 kg |
Diskuze
Buďte první, kdo napíše příspěvek k této položce.




