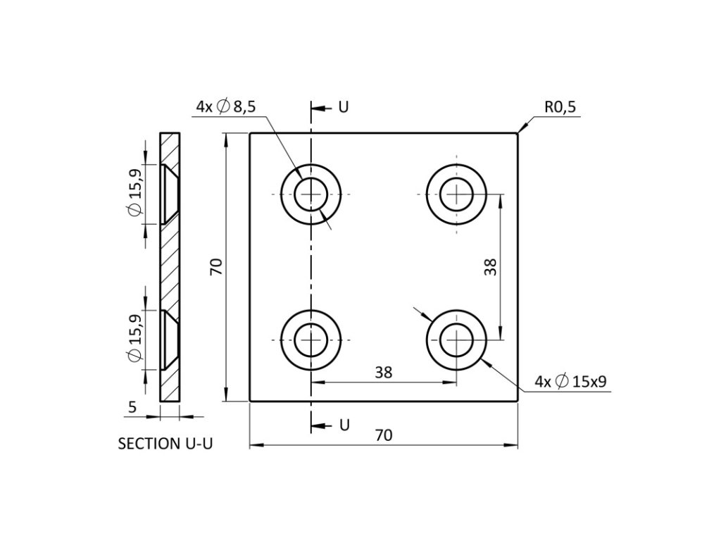
Hliníková krytka pro zakončení sloupkového profilu 70x70
Ukončení sloupkového profilu 70x70mm.

Řešení pro všechny situace
vašich posuvných bran.

Pomůžeme s výběrem
správné možnosti.

Garance doručení
zásilky k vám.

Ověřeno zákazníky
12 let na trhu.
Hliníková krytka z přírodního hliníku určená k zakončení sloupkového profilu s rozměry 70x70mm. Krytka se upevňuje na profil jako zakončení lamelové výplně ve sloupku.
Krytka se upevňuje pomocí čtyř šroubů.
Vzorová aplikace:
Doplňkové parametry
| Kategorie: | Krytky |
|---|---|
| Hmotnost: | 0.08 kg |
Diskuze
Buďte první, kdo napíše příspěvek k této položce.

