Záslepka obdélníková 20×60 (ZO-12)
Pro zaslepování obdélníkových dutých profilů. Ve většině velikostí jsou skladem stovky kusů.

Řešení pro všechny situace
vašich posuvných bran.

Pomůžeme s výběrem
správné možnosti.

Garance doručení
zásilky k vám.

Ověřeno zákazníky
12 let na trhu.
Barva: Černá
Skladem
(>5 ks)
| ZO-12C
Můžeme doručit do:
7.5.2026
13,19 Kč
10,90 Kč
bez DPH
Ve většině velikostí jsou skladem stovky kusů. Informujte se ohledně aktuální skladové dostupnosti na 730 731 112, nebo na info@fortamigo.cz.
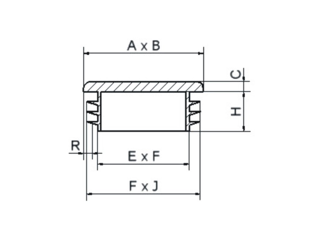
Zvolte zátku podle vnějšího rozměru profilu na výkrese označeného A × B a tloušťky stěny označené R.
Materiál: MATERIÁL: LDPE.
Popis.
Doplňkové parametry
| Kategorie: | Obdélníkové záslepky |
|---|---|
| A×B [mm]: | 20×60 |
| R [mm]: | 1,5–3,0 |
| C [mm]: | 5,0 |
| H [mm]: | 14,0 |
| E×F [mm]: | 14,0×54,0 |
| F×J [mm]: | 18,2×58,0 |
Diskuze
Buďte první, kdo napíše příspěvek k této položce.
