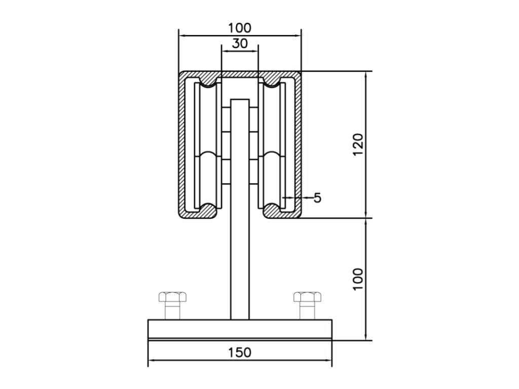
Vozík se 4 ložisky pro hliníkový C-profil 100x120x5mm
Polyamidové role o průměru 60 mm.




Korba vozíku se skládá ze dvoudílné žárově pozinkované korby a montážní podložky z nerezové oceli.
Vozík je k betonovému podstavci připevněn dvěma kotvami, které procházejí otvory v podstavci a otvory v montážní podložce z nerezové oceli, takže přímý kontakt s betonovým podstavcem má pouze montážní podložka z nerezové oceli.
V každém rohu jsou v podstatě seřizovací šrouby, kter ými lze nastavit sklon základny vozíku vůči montážní podložce z nerezové oceli, a to jak podélně, tak příčně. Díky tomu lze snadno vyrovnat nerovnosti betonového podkladu.
Na žárově pozinkovaném těle vozíku jsou 4 polyamidové ložiskové válečky o průměru 60 mm s výřezy pro vodicí oka profilu C. Dva válečky jsou nahoře, kde se dotýkají horních vodicích výstupků v profilu C, a dva válečky jsou posunuty o něco níže a dotýkají se spodních vodicích výstupků v profilu C.
Vozíky jsou při montáži umístěny zrcadlově proti sobě, tj. první vozík má horní válce na vnější straně a druhý vozík na opačné straně - rovněž na vnější straně.
Příklad použití v hliníkovém C-profilu 100x120x5:
Doplňkové parametry
| Kategorie: | Profesionální hliníkový C-profil AL |
|---|---|
| Hmotnost: | 12 kg |
Diskuze
Buďte první, kdo napíše příspěvek k této položce.


