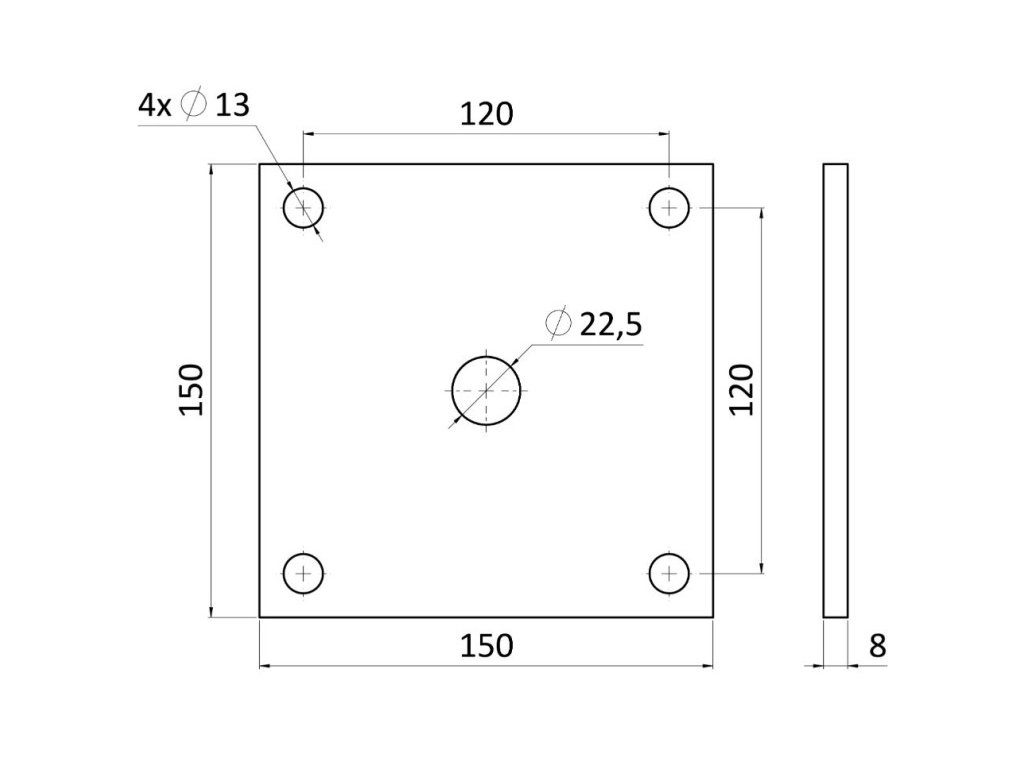
Univerzální deska s otvory 150x150mm, tloušťka 8mm
Rozměry 150 × 150. Tloušťka 8 mm. Rozteč otvorů 120x120. Průměr otvoru 13 mm. Surová ocel.

Řešení pro všechny situace
vašich posuvných bran.

Pomůžeme s výběrem
správné možnosti.

Garance doručení
zásilky k vám.

Ověřeno zákazníky
12 let na trhu.
PLS-14 univerzální deska ze surové oceli s otvory je vhodná pro přivaření závěsu, držáku apod. Deska by měla být před umístěním venku povrchově upravena pozinkováním nebo ochranným nátěrem proti korozi.
| Velikost: | 150x150 mm |
|---|---|
| Rozteč otvorů: | 120x120 mm, počet otvorů 5 |
| Tloušťka desky: | 8 mm |
| Průměr otvoru: | 13 mm / 22,5 mm |
| Materiál: | surová ocel |
Doplňkové parametry
| Kategorie: | Montážní desky |
|---|---|
| Hmotnost: | 1.36 kg |
Diskuze
Buďte první, kdo napíše příspěvek k této položce.
