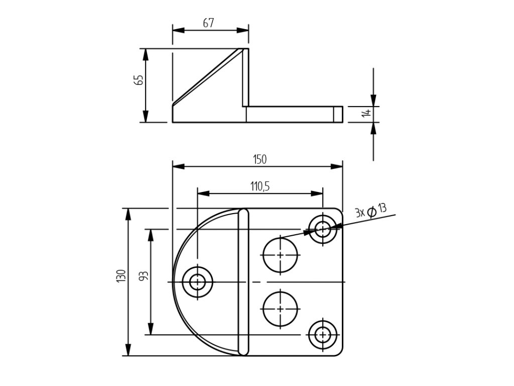
Středový doraz s pogumované oceli 150x130x65mm
Pogumovaný středový doraz pro brány, 150x130x65mm.

Řešení pro všechny situace
vašich posuvných bran.

Pomůžeme s výběrem
správné možnosti.

Garance doručení
zásilky k vám.

Ověřeno zákazníky
12 let na trhu.
Středová pogumovaná zarážka pro křídlové brány a dveře má tři otvory, které slouží k upevnění na místo, kde brána nebo dveře zastavují. Obsahuje také dva otvory o průměru 13 mm vhodné pro zajištění zátkou po uzavření brány.
Zarážka je vyrobena z oceli s pogumovanou povrchovou úpravou.
Doplňkové parametry
| Kategorie: | Dorazy křídlových bran |
|---|---|
| Hmotnost: | 0.8 kg |
Diskuze
Buďte první, kdo napíše příspěvek k této položce.
