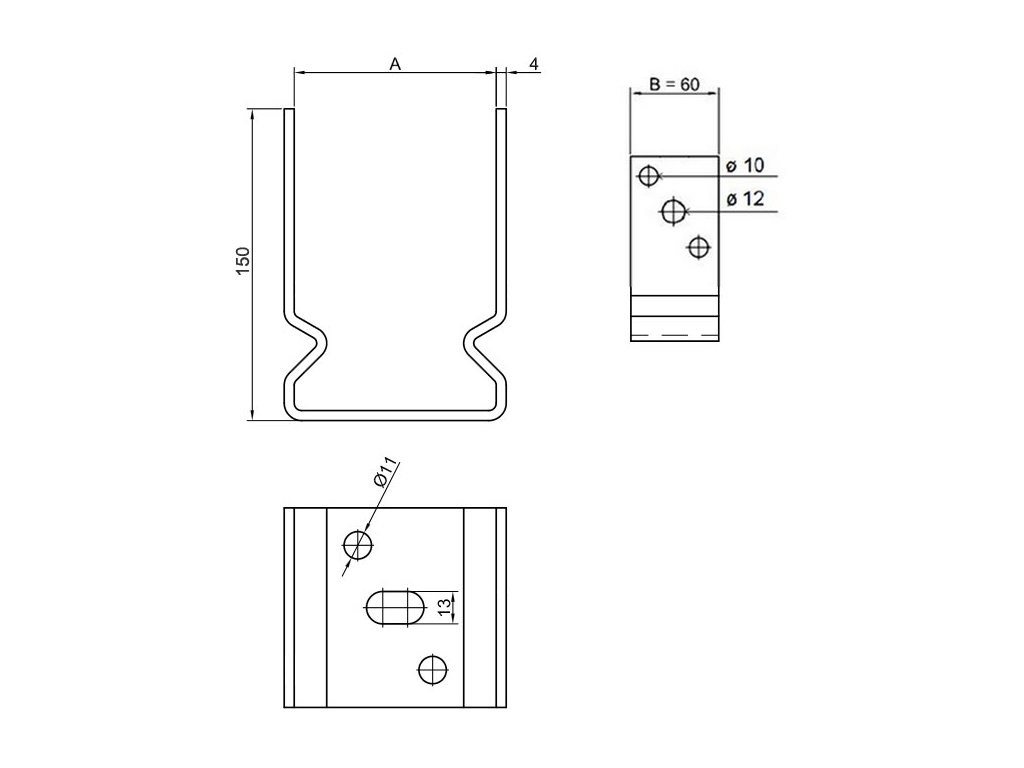
Statický kotevní prvek tvar U 60mm s prolisem 90 (TK-81X13)
Rozměry: 70 × 60, 80 × 60, 90 × 60, 100 × 60, 120 × 60 mm.

Řešení pro všechny situace
vašich posuvných bran.

Pomůžeme s výběrem
správné možnosti.

Garance doručení
zásilky k vám.

Ověřeno zákazníky
12 let na trhu.
Kotevní prvek se používá k ukotvení extrudovaných sloupů a pilířů například do betonového základu.
Ukázka použití 60mm statické kotvy ve tvaru U s lištou

Technické vlastnosti
| Materiál: | ocel |
|---|---|
| Povrchová úprava: | žárové zinkování |
Nosnost a instalace
Doplňkové parametry
| Kategorie: | Kotvící prvky |
|---|---|
| Hmotnost: | 0.745 kg |
| A [mm]: | 90 |
| B [mm]: | 60 |
Diskuze
Buďte první, kdo napíše příspěvek k této položce.

