Statická spojovací deska bez otvorů 40x200,2 (TK-81D2)
Různé velikosti.

Řešení pro všechny situace
vašich posuvných bran.

Pomůžeme s výběrem
správné možnosti.

Garance doručení
zásilky k vám.

Ověřeno zákazníky
12 let na trhu.
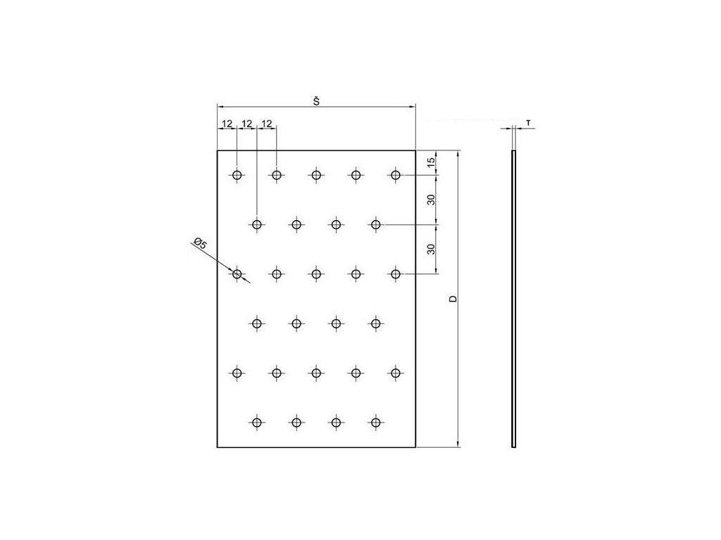
Statická lepicí deska se používá ke spojování prvků dřevěných tesařských konstrukcí. Jako spojovací materiál se používají kroužkové (vypouklé) hřebíky o průměru 4 mm.
Příklad použití statické spojovací desky bez otvorů

Doplňkové parametry
| Kategorie: | Desky |
|---|---|
| Hmotnost: | 0.109 kg |
| Š [mm]: | 40 |
| D [mm]: | 200 |
| T [mm]: | 2 |
Diskuze
Buďte první, kdo napíše příspěvek k této položce.
