
Řešení pro všechny situace
vašich posuvných bran.

Pomůžeme s výběrem
správné možnosti.

Garance doručení
zásilky k vám.

Ověřeno zákazníky
12 let na trhu.
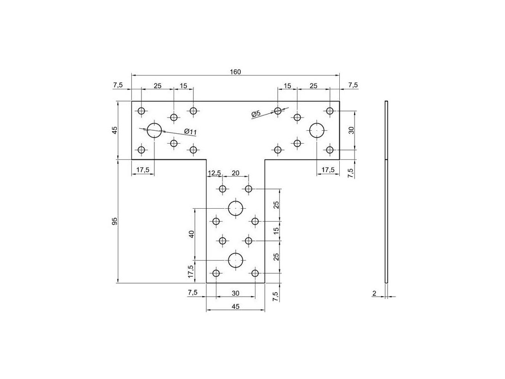
Statický T-spoj se používá ke spojování prvků dřevěných tesařských konstrukcí. Jako spojovací materiál se používají kroužkové (vypouklé) hřebíky o průměru 4 mm.
Příklad použití statické spojky "T" s otvory

Doplňkové parametry
| Kategorie: | Desky |
|---|---|
| Hmotnost: | 0.164 kg |
Diskuze
Buďte první, kdo napíše příspěvek k této položce.
