
Řešení pro všechny situace
vašich posuvných bran.

Pomůžeme s výběrem
správné možnosti.

Garance doručení
zásilky k vám.

Ověřeno zákazníky
12 let na trhu.
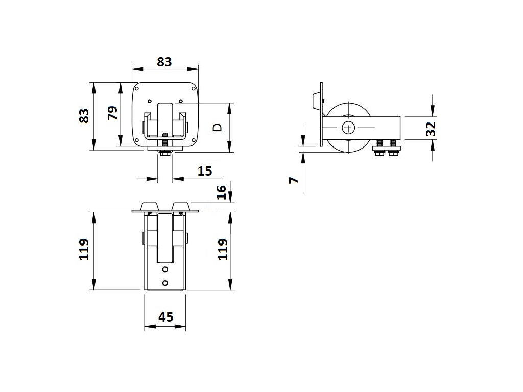
Spodní nájezd pro posuvnou bránu se instaluje na začátek nebo dokonce na konec nosného C-profilu. Vkládá se do C-profilu a upevňuje se k němu pomocí přítlačné desky, která se utahuje dvěma šrouby. Při dorážení posuvné brány tak brána nedoráží do spodného dorazu (např. dojezdová kapsa) svým tělem, ale kolečkem spodného nájezdu. V praxi to vypadá tak, že se nájezdové kolečko dotýká dolů ohnuté části nájezdové kapsy, čímž se brána dostává do správné výškové polohy a při zavírání "spočívá" v této nájezdové kapse.
Varianty spodního nájezdu jsou:
- SN-347M: spodní rampa na hliníkový C-profil 83x79x11mm.
Doplňkové parametry
| Kategorie: | Nájezdy |
|---|---|
| Hmotnost: | 0.99 kg |
Diskuze
Buďte první, kdo napíše příspěvek k této položce.
