Posuvný vozík s 8 rolemi pro C-profil 94x85x5mm
Povrchová úprava: zinek. 8 rolí.

Řešení pro všechny situace
vašich posuvných bran.

Pomůžeme s výběrem
správné možnosti.

Garance doručení
zásilky k vám.

Ověřeno zákazníky
12 let na trhu.
Celokovový vozík s pozinkovaným povrchem pro samonosné posuvné brány.
- Varianta V-94-85-7 je vhodná pro profil C 94x85x5mm
Výkyv vozíku slouží k rovnoměrnému rozložení hmotnosti/tlaku brány na všechny ložiskové válečky vozíku v každém okamžiku pohybu brány.
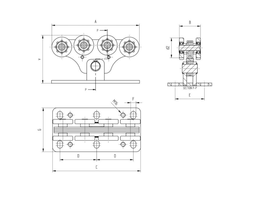
Rozměry otvorů a šroubů vozíku
| Kód | Rozměry otvorů | Rozměry šroubů |
|---|---|---|
| V-94-85-7 | 6ks 18×25 | 4ks M16 |
UKOTVENÍ SAMONOSNÝCH VOZÍKŮ PRO NESENÍ BRÁNY:
Nosné vozíky lze ukotvit:
- pro závitové tyče, které se betonují přímo do základu
- pro závitové tyče chemicky spojené s již vyzrálým betonovým základem
- pro zatloukání kotev do již vyzrálého betonového základu
Otvory v montážních deskách mají nejužší rozměr 18 mm a jsou ukotveny pomocí závitu M16. Všechny postupy jsou relevantní, záleží na tom, s čím máte lepší zkušenosti.
Výkres vozíku V-94-85-7:
Doplňkové parametry
| Kategorie: | Doprodej vozíků |
|---|---|
| Hmotnost: | 3 kg |
| A [mm]: | 298 |
| B [mm]: | 72 |
| C [mm]: | 300 |
| D: | 125 |
| d2 [mm]: | 68 |
| E [mm]: | 100 |
| F: | 18 |
| G [mm]: | 150 |
| V [mm]: | 170 |
Diskuze
Buďte první, kdo napíše příspěvek k této položce.


