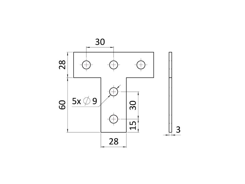
Nosníková spojka tvaru T, pro profily 27x18mm a 28x30mm
Pro spojování montážních nosníků pod úhlem 90°.

Řešení pro všechny situace
vašich posuvných bran.

Pomůžeme s výběrem
správné možnosti.

Garance doručení
zásilky k vám.

Ověřeno zákazníky
12 let na trhu.
Spojky nosníků jsou navrženy tak, aby pevně spojovaly montážní nosníky a pomáhaly vám vytvořit pevnou a odolnou konstrukci.
Jsou vhodné pro pravoúhlé spojování montážních nosníků, jsou vyrobeny z vysoce kvalitních materiálů pro maximální pevnost a odolnost a zajišťují snadnou a rychlou montáž.
Nosníkové spojky jsou ideální pro širokou škálu aplikací včetně montáže regálů, stavby rámů, výroby regálů a mnoha dalších.
Způsob použití:
Kompatibilní profily:
|
|
Perforovaný montážní C-profil 27x18x1,25, pozinkovaný
CP-27x18-D-ZN-3
Rozměr profilu: 27x18x1,25mm Délka profilu: 3m |
|
|
Perforovaný montážní C-profil 28x30x1,75, pozinkovaný, 3m
CP-28x30-D-ZN-3
Rozměr profilu: 28x30x1,75mm Délka profilu: 3m |
Doplňkové parametry
| Kategorie: | 27x18mm 28x30mm |
|---|---|
| Hmotnost: | 0.088 kg |
Diskuze
Buďte první, kdo napíše příspěvek k této položce.

