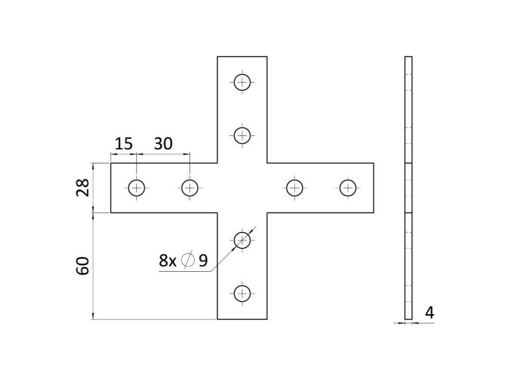
Nosníková spojka tvaru kříž, pro profily 41x41mm a 41x21mm
Pro spojování montážních nosníků pod úhlem 90°.

Řešení pro všechny situace
vašich posuvných bran.

Pomůžeme s výběrem
správné možnosti.

Garance doručení
zásilky k vám.

Ověřeno zákazníky
12 let na trhu.
Spojky nosníků jsou navrženy tak, aby pevně spojovaly montážní nosníky a pomáhaly vám vytvořit pevnou a odolnou konstrukci.
Jsou vhodné pro pravoúhlé spojování montážních nosníků, jsou vyrobeny z vysoce kvalitních materiálů pro maximální pevnost a odolnost a zajišťují snadnou a rychlou montáž.
Nosníkové spojky jsou ideální pro širokou škálu aplikací včetně montáže regálů, stavby rámů, výroby regálů a mnoha dalších.
Způsob použití:
Doplňkové parametry
| Kategorie: | 41x41mm |
|---|---|
| Hmotnost: | 0.206 kg |
Diskuze
Buďte první, kdo napíše příspěvek k této položce.

