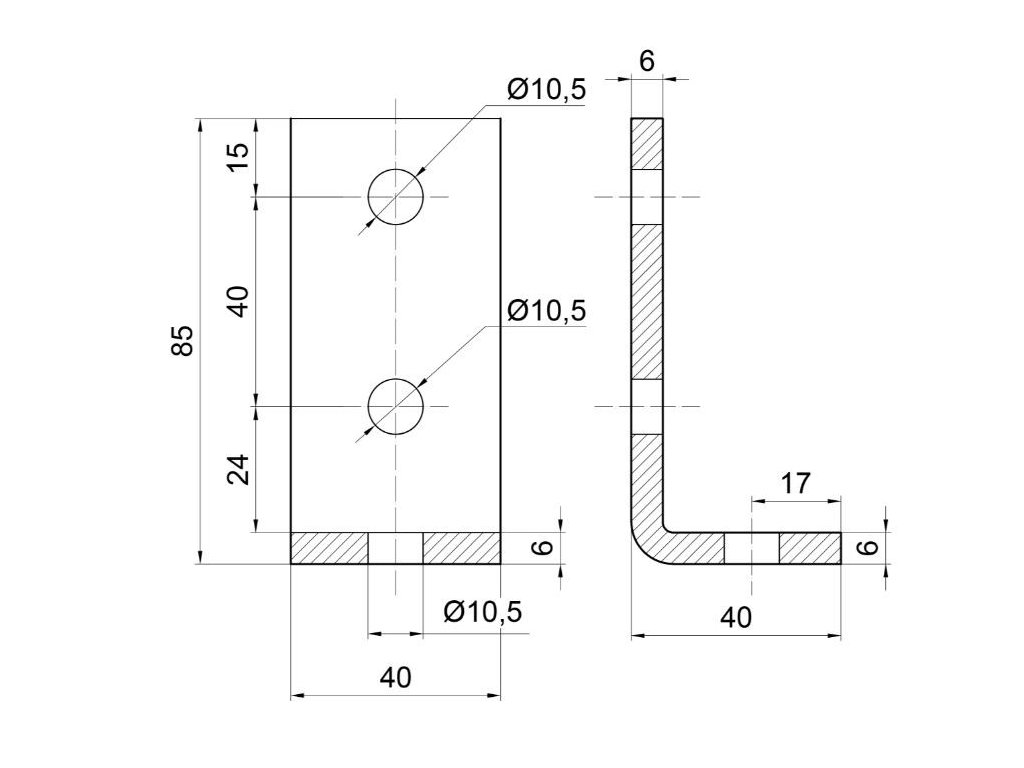
Montážní úhelník 90°, pro profily 41x41mm a 41x21mm
K upevnění držáků na montážní nosníky pod úhlem 90°.




Tento montážní úhelník je určen ke spojování montážních nosníků a konzol podúhlem 90° .Spojení úhelníku s nosníkem nebo konzolou se provádí pomocí metrického šroubu, podložky a jezdce, což zajišťuje pevné a spolehlivé uchycení.
Montážní úhelník má univerzální použití a je vhodný pro různé typy nosníků a držáků. Je vyroben z kvalitních materiálů, které zajišťují jeho pevnost a odolnost, což přispívá k jeho dlouhé životnosti. Používá se v různých průmyslových odvětvích, včetně instalace potrubí, elektroinstalace, instalace vzduchotechniky, upevnění strojů a zařízení a mnoha dalších aplikací.
Doplňkové parametry
| Kategorie: | 41x41mm |
|---|---|
| Hmotnost: | 0.281 kg |
Diskuze
Buďte první, kdo napíše příspěvek k této položce.
