Hliníková redukce pro uchycení 16mm profilů, antracit RAL7016 se strukturou
Redukce pro konstrukční profily plotového systému.

Řešení pro všechny situace
vašich posuvných bran.

Pomůžeme s výběrem
správné možnosti.

Garance doručení
zásilky k vám.

Ověřeno zákazníky
12 let na trhu.
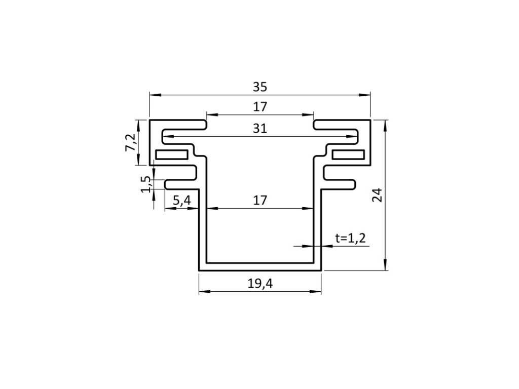
Hliníková redukce, s povrchovou úpravou antracit RAL7016 se strukturou, je určená pro uchycení profilů o šířce 16mm v konstrukčních profilech plotového systému.
Redukce se zasouvá do montážního profilu 35x30mm nebo do sloupkového profilu 70x70mm. Díky této redukci je možné použít hliníkové lamely o šířce 16mm.
Redukce se zasouvá do profilu a je uchycena bez potřeby kotvení.
Po osazení všech lamel se vrchní část profilů zakončuje hliníkovou krytkou pro profil 70x70mm nebo hliníkovou krytkou pro profil 35x30mm.
Ukázka osazené redukce do profilu:
Doplňkové parametry
| Kategorie: | Redukce pro 16mm lamely |
|---|---|
| Hmotnost: | 0.794 kg |
Diskuze
Buďte první, kdo napíše příspěvek k této položce.

