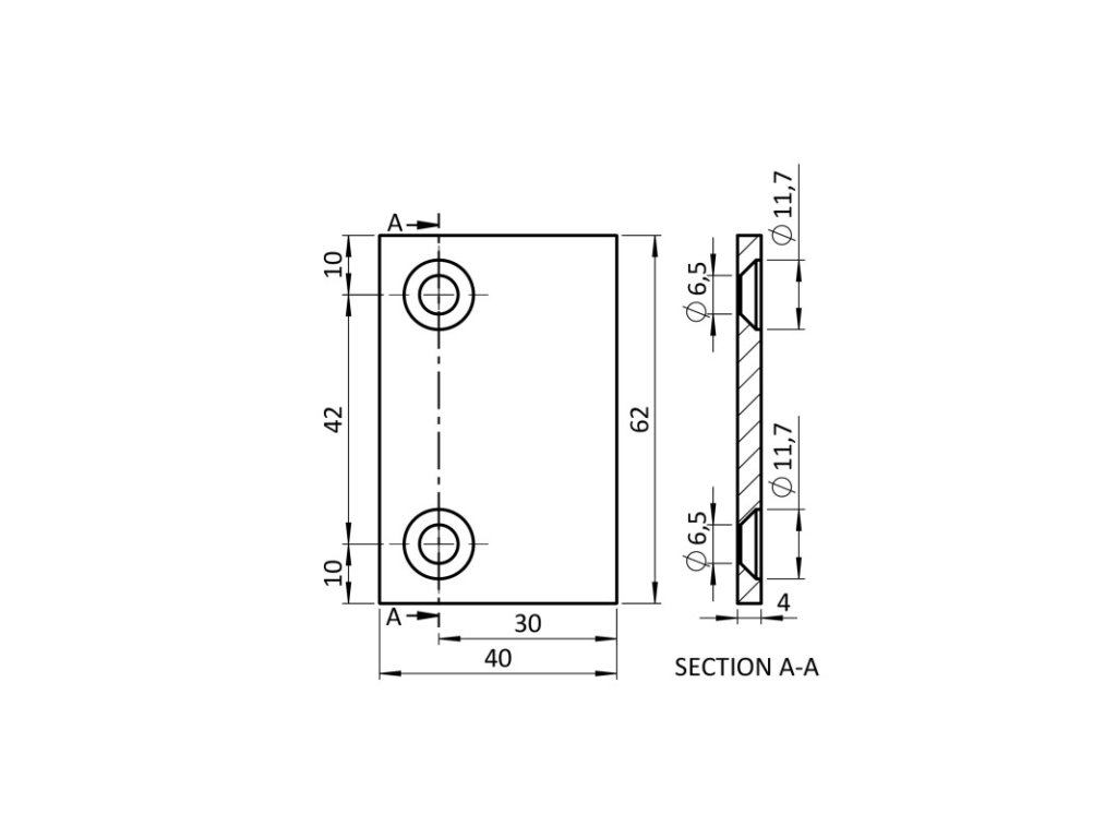
Hliníková krytka pro zakončení konstrukčního profilu 62x40
Ukončení konstrukčního profilu 62x40mm.

Řešení pro všechny situace
vašich posuvných bran.

Pomůžeme s výběrem
správné možnosti.

Garance doručení
zásilky k vám.

Ověřeno zákazníky
12 let na trhu.
Hliníková krytka z přírodního hliníku určená k zakončení konstrukčního profilu s rozměry 62x40mm. Krytka se upevňuje na profil jako zakončení lamelové výplně v profilu.
Krytka se upevňuje pomocí dvou šroubů.
Vzorová aplikace:
Doplňkové parametry
| Kategorie: | Krytky |
|---|---|
| Hmotnost: | 0.06 kg |
Diskuze
Buďte první, kdo napíše příspěvek k této položce.

