EPDM podložka pod kombinované vruty 20 (S-EPDM-M10)
Pro vruty: M10, M12




Podložky EPDM jsou ideální pro použití ve stavebnictví, zejména pro těsnění a izolaci.
EPDM (ethylen-propylen-dienový kaučuk) je syntetický kaučuk, který je známý svou vysokou odolností vůči povětrnostním vlivům, UV záření, ozónu a extrémním teplotám.
Podložky EPDM jsou vyrobeny z pryžového materiálu, který zajišťuje těsnost spojů a zabraňuje pronikání vody a vlhkosti. Běžně se používají v kombinaci se šrouby a vruty, zejména při upevňování střešních a fasádních systémů.
Používají se také k upevnění konstrukce solárních panelů na střechách. K tomuto účelu se kombinují se závitovým šroubem, přírubovými maticemi a podpěrnou spojkou. Spodní část šroubu je vhodná pro montáž do dřeva a horní část je upevněna maticí. Podložka z EPDM slouží jako izolant a těsnění pro část šroubu, která je ukotvena v dřevěné konstrukci střechy. Podpěrná spojka je připevněna pomocí T-šroubu k profilu, na kterém je upnut solární panel.
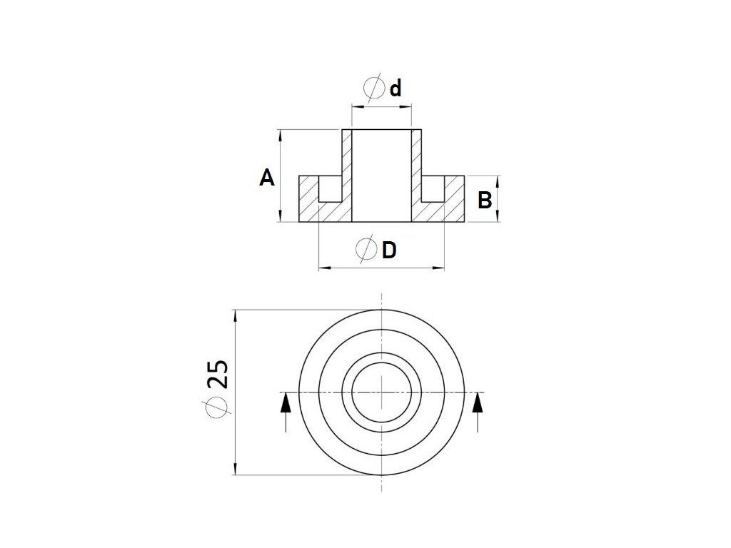
Podložka EPDM je určena pro šrouby M10 a M12.

Doplňkové parametry
| Kategorie: | Spojovací materiál |
|---|---|
| Hmotnost: | 0.004 kg |
| ØD [mm]: | 20 |
| Ød [mm]: | 8 |
| A [mm]: | 13 |
| B [mm]: | 8 |
Diskuze
Buďte první, kdo napíše příspěvek k této položce.


