Elektrozámek pro jazýček zámku branky, ZE-05, AC/DC




Pulzní elektronický zámek je vhodný pro všechny typy domácích telefonů, vrátných, videovrátných a systémů kontroly přístupu s napájením 8-14 V (AC/DC).
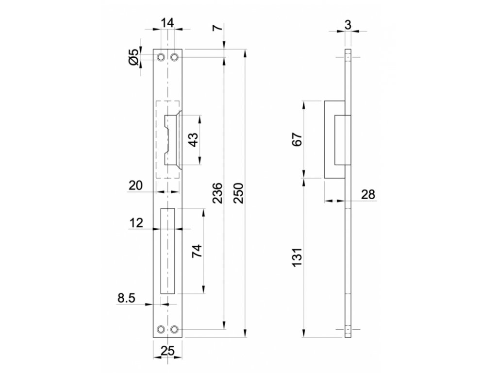
Obsahuje odnímatelnou přední lištu s počítadlem jazýčků zámku, mechanickou páčku pro přepnutí do ručního režimu, vysouvací kolík, který při impulzu "vytlačí " jazýček a zatlačením na dveře nebo vrata se zámek odjistí. Po návratu do původní polohy, po zabouchnutí dveří nebo brány s ním nelze pohnout, tj. je automaticky zablokován. K opětovnému otevření je nutný další elektrický impuls.
Elektrozámek má z přední pohledové strany krycí fólii, kterou po montáži můžete odlepit a dosáhnete tak reprezentativního pohledového povrchu zámku.
Elektrický zámek je univerzální pro použití vlevo i vpravo. Tyč můžete demontovat odšroubováním dvou šroubů, pak otočit tyč podle svislé osy a otočit elektrický zámek podle vodorovné osy, sešroubovat je zpět a máte opačnou orientaci.
Elektrický zámek s odemykáním - zámek lze nastavit pomocí páčky, která umožňuje, aby byl zámek stále odemčený.
Zámek nemá žádnou vnitřní paměť - je otevřen pouze po dobu trvání impulsu.
Pro elektrický zámek ZE-05 je vhodný doraz ZK-13.

Půdorys jazýčku zámku zapadnutého v elektrozámku
Použití elektrického zámku v praxi:
Doplňkové parametry
| Kategorie: | Bez paměti s odblokováním |
|---|---|
| Hmotnost: | 0.3 kg |
Diskuze
Buďte první, kdo napíše příspěvek k této položce.

