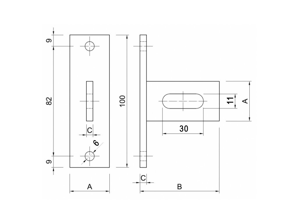
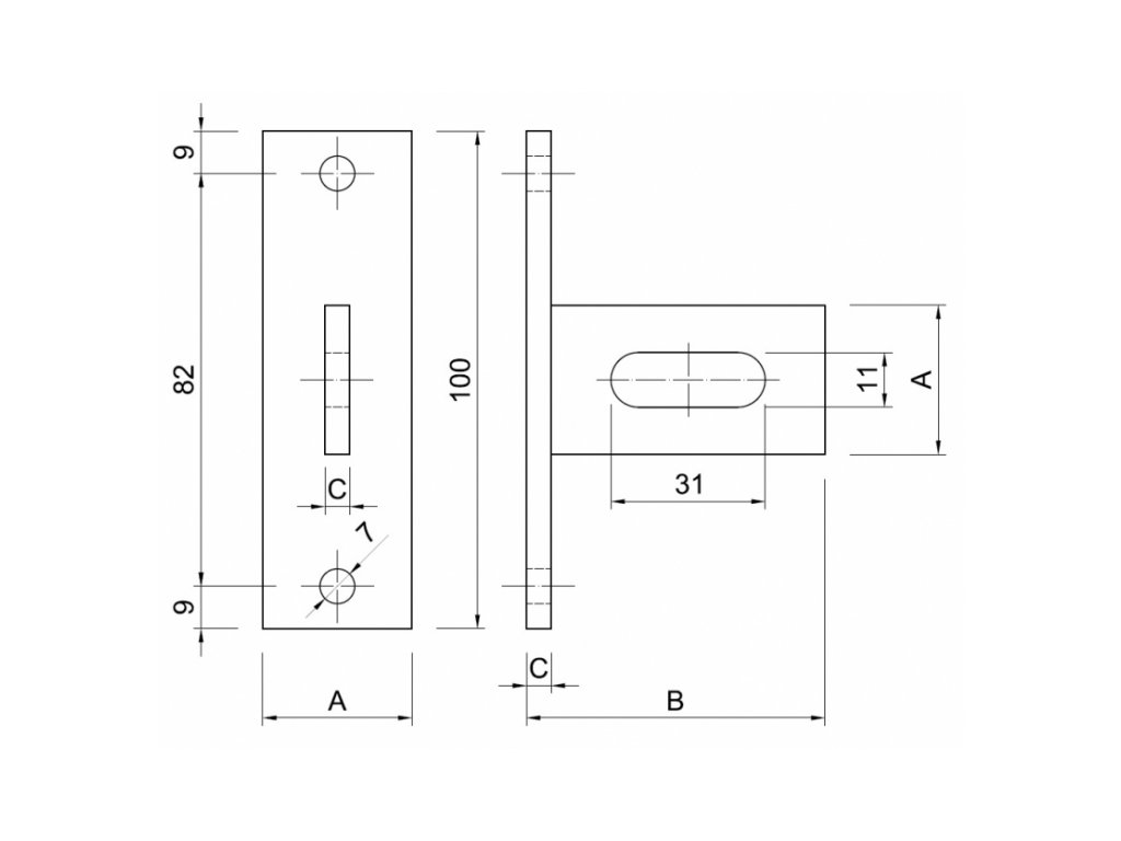
Držák plotového pole k přišroubování 30 (DP-07)
Rozměry 30 × 60 × 5 a 40 × 60 × 5. Dodávaný držák + dva samořezné šrouby.

Řešení pro všechny situace
vašich posuvných bran.

Pomůžeme s výběrem
správné možnosti.

Garance doručení
zásilky k vám.

Ověřeno zákazníky
12 let na trhu.
Držák plotového pole lidé nejčastěji používají, když chtějí vytvořit jednoduchou plotovou výplň: na držáky přišroubujete nebo přivaříte profilovou ocel (jekl, L-profil nebo U-profil). Na tento profil pak můžete připevnit dřevěné ploty, plastové výplně, lexan apod. Rychlé, jednoduché a levné řešení výplně plotu.Držiteli jsou žárově pozinkované.
Příklad použití:



Doplňkové parametry
| Kategorie: | Držáky plotových polí |
|---|---|
| Hmotnost: | 0.175 kg |
| A [mm]: | 30 |
| B [mm]: | 60 |
| C [mm]: | 5 |
Diskuze
Buďte první, kdo napíše příspěvek k této položce.
