Celokovový otočný vozík s regulací, 9 rolí, s montážní deskou
Přejezd až 6,5 m. S regulací. Kolísavý. Celokovové. Pozinkované. Profil C 80.




Celokovový výkyvný vozík s regulací pro samonosné posuvné brány. Vhodné pro brány s šířkou průjezdu až 6,5 m a maximální hmotností 420 kg. Vozík je dodáván s montážní deskou, která je součástí ceny.
- Varianta V-09-1K je vhodná pro profil C 80x80x5 mm FE a profil C 80x80x5 mm ZN
Možnost regulace vozíku umožňuje "doladit" sklon brány a tím i její plynulý chod (i s ohledem na terén nebo sklon průjezdu).
Výkyv vozíku slouží k rovnoměrnému rozložení hmotnosti/tlaku brány na všechny ložiskové válečky vozíku v každém okamžiku pohybu brány.
Všechny cenově zvýhodněné sady pro samonosné brány.
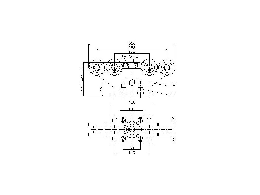
Rozměr montážní desky vozíku
| A[mm] | B[mm] | C[mm] | D[mm] | Celková délka vozíku včetně ložisek[mm] |
|---|---|---|---|---|
| 180 | 120 | 70 | 140 | 356 |
![]() |
||||
Kotvení samonosných vozíků pro přepravu bran:
Nosné vozíky lze ukotvit:
- pro závitové tyče, které se betonují přímo do základu
- pro závitové tyče chemicky spojené s již vyzrálým betonovým základem
- pro zatloukání kotev do již vyzrálého betonového základu
Otvory v montážních deskách mají nejužší rozměr 18 mm a jsou ukotveny pomocí závitu M16. Všechny postupy jsou relevantní, záleží na tom, s čím máte lepší zkušenosti.

Výkres vozíku 80×80×5 :
360° :
Doplňkové parametry
| Kategorie: | Pro C-profil 80x80x5 mm |
|---|---|
| Hmotnost: | 9 kg |
Diskuze
Buďte první, kdo napíše příspěvek k této položce.


