C-Profil 80x80x5 mm, Fe 3 m (CP-80-3)
Vodicí C-profil pro samonosnou bránu 80x80x5mm, Fe.
Délky: 1, 2, 3, 4, 5, 6 m.

Řešení pro všechny situace
vašich posuvných bran.

Pomůžeme s výběrem
správné možnosti.

Garance doručení
zásilky k vám.

Ověřeno zákazníky
12 let na trhu.
Silnostěnný nosný/vodicí C-profil o rozměrech průřezu 80 × 80 (š × v) a tloušťce stěny 5 mm se používá pro samonosné posuvné brány do 600 kg.
Novinka!
Aktuálně máme v nabídce C-profil 80x80x5 v celkové délce 9 metrů (vcelku) v pozinkovaném provedení.
Tento profil je k dispozici pouze k osobnímu odběru v naší prodejně v Novém Městě nad Váhom. Pro více informací nás neváhejte kontaktovat kontaktovat.
| Materiál: | ocel S235JR |
|---|---|
| Povrchová úprava: | bez úpravy - surová ocel (Fe/černá) |
| Dostupné délky: | 1, 2, 3, 4, 5, 6 m |
Doplňkové parametry
| Kategorie: | Černé profily C - Fe |
|---|---|
| Hmotnost: | 30.3 kg |
| Délka [m]: | 3 |
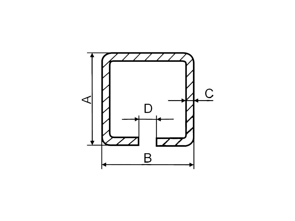
| A [mm]: | 80 |
| B [mm]: | 80 |
| C [mm]: | 5 |
| D [mm]: | 26 |
Diskuze
Buďte první, kdo napíše příspěvek k této položce.
