C-Profil 60x60x4 mm, Fe 6 m (CP-60-6)
Vodicí C-profil pro samonosnou bránu 60x60x4mm, Fe.
Délky: 1, 2, 3, 6 m.

Řešení pro všechny situace
vašich posuvných bran.

Pomůžeme s výběrem
správné možnosti.

Garance doručení
zásilky k vám.

Ověřeno zákazníky
12 let na trhu.
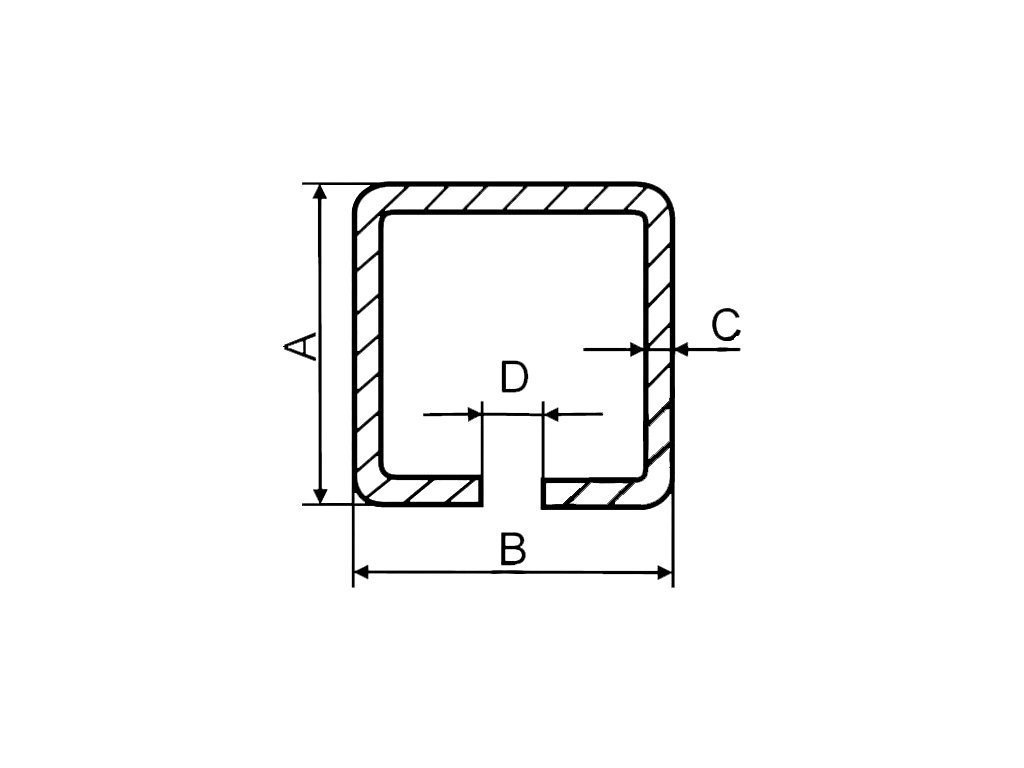
Silnostěnný nosný/vodicí C-profil o rozměrech průřezu 60 × 60 (š × v) a tloušťce stěny 4 mm se používá pro samonosné posuvné brány do 400 kg.
| Materiál: | ocel S235JR |
|---|---|
| Povrchová úprava: | bez úpravy - surová ocel (Fe/černá) |
| Dostupné délky: | 1, 2, 3, 6 m |
Profil C je vhodný pro kovové a nylonové role na vozících.
Doplňkové parametry
| Kategorie: | Černé profily C - Fe |
|---|---|
| Hmotnost: | 36.6 kg |
| Délka [m]: | 6 |
| A [mm]: | 60 |
| B [mm]: | 60 |
| C [mm]: | 4 |
| D [mm]: | 21 |
Diskuze
Buďte první, kdo napíše příspěvek k této položce.
