Záslepka obdélníková 80x100 (ZO-67)
Pro zaslepování obdélníkových dutých profilů. Ve většině velikostí jsou skladem stovky kusů.

Řešení pro všechny situace
vašich posuvných bran.

Pomůžeme s výběrem
správné možnosti.

Garance doručení
zásilky k vám.

Ověřeno zákazníky
12 let na trhu.
Ve většině velikostí jsou skladem stovky kusů. Informujte se ohledně aktuální skladové dostupnosti na 730 731 112, nebo na info@fortamigo.cz.
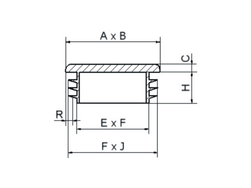
Zvolte zátku podle vnějšího rozměru profilu na výkrese označeného A × B a tloušťky stěny označené R.
Materiál: MATERIÁL: LDPE.
Popis.
Doplňkové parametry
| Kategorie: | Obdélníkové záslepky |
|---|---|
| Hmotnost: | 0.04 kg |
| A×B [mm]: | 80x100 |
| R [mm]: | 2,0-4,0 |
| C [mm]: | 6 |
| H [mm]: | 24 |
| E×F [mm]: | 65,3x84,8 |
| F×J [mm]: | 57,0x95,5 |
Buďte první, kdo napíše příspěvek k této položce.
Přidat komentář
