Záslepka obdélníková 27×40 (ZO-17)
Pro zaslepování obdélníkových dutých profilů. Ve většině velikostí jsou skladem stovky kusů.

Řešení pro všechny situace
vašich posuvných bran.

Pomůžeme s výběrem
správné možnosti.

Garance doručení
zásilky k vám.

Ověřeno zákazníky
12 let na trhu.
Ve většině velikostí jsou skladem stovky kusů. Informujte se ohledně aktuální skladové dostupnosti na 730 731 112, nebo na info@fortamigo.cz.
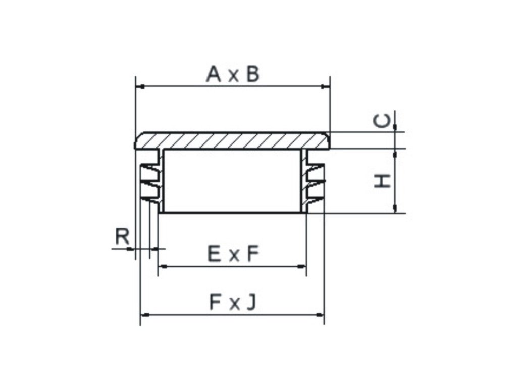
Zvolte zátku podle vnějšího rozměru profilu na výkrese označeného A × B a tloušťky stěny označené R.
Materiál: MATERIÁL: LDPE.
Popis.
Doplňkové parametry
| Kategorie: | Obdélníkové záslepky |
|---|---|
| Hmotnost: | 0.014 kg |
| A×B [mm]: | 27×40 |
| R [mm]: | 1,5–3,0 |
| C [mm]: | 5,0 |
| H [mm]: | 14,0 |
| E×F [mm]: | 19,8×32,6 |
| F×J [mm]: | 25,4×38,2 |
Buďte první, kdo napíše příspěvek k této položce.
Přidat komentář
