Registrace

Záslepka obdélníková 10×20 (ZO-01)

Pro zaslepování obdélníkových dutých profilů. Ve většině velikostí jsou skladem stovky kusů.

Dostupnost Skladem (>5 ks)
Můžeme doručit do:
19.1.2026
Kód: ZO-01
1,84 Kč 1,52 Kč bez DPH
Záslepka obdélníková 10×20 (ZO-01)
Resení pro všechny situace
Řešení pro všechny situace
vašich posuvných bran.
Pomužeme s výberem
Pomůžeme s výběrem
správné možnosti.
doručení
Garance doručení
zásilky k vám.
Ověřeno zákazníky
Ověřeno zákazníky
12 let na trhu.

Ve většině velikostí jsou skladem stovky kusů. Informujte se ohledně aktuální skladové dostupnosti na 730 731 112, nebo na info@fortamigo.cz.

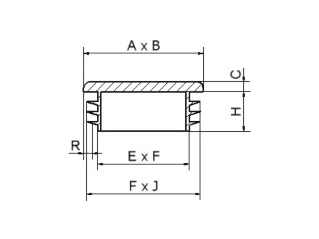
Zvolte zátku podle vnějšího rozměru profilu na výkrese označeného A × B a tloušťky stěny označené R.

Materiál: MATERIÁL: LDPE.

Popis.

Doplňkové parametry

Kategorie: Obdélníkové záslepky
Hmotnost: 0.001 kg
A×B [mm]: 10×20
R [mm]: 1,0–1,5
C [mm]: 5,0
H [mm]: 12,0
E×F [mm]: 6,1×16,1
F×J [mm]: 9,3×19,3

Buďte první, kdo napíše příspěvek k této položce.

Nevyplňujte toto pole:

Bezpečnostní kontrola